开云(中国)Kaiyun·官方网站-kaiyun.com欢迎您!网站首页|客户留言|开云(中国)Kaiyun·官方网站-kaiyun.com
0510-86106969
产品展示products KFJ/BFJ/SFJ开云(中国)Kaiyun·官方网站-kaiyun.com PW系列衬胶污水泵 KFZ系列衬胶自吸泵 KFM系列衬胶砂磨泵 KFP系列聚四氟乙烯泵 PNFJ系列渣浆泵 S型系列玻璃钢泵 FSB型氟塑料合金离心泵 开云(中国)Kaiyun·官方网站-kaiyun.comcontacts 电话:86 0510-86106969
?????????86 0510-86108318
传真:86 0510 86108328
?????????86 0510-86101528
地址:江阴市经济开发区(西区·石庄)
?????????华特西路28号
当前位置:首页 > 公司产品公司产品

KFJ/BFJ/SFJ型系列耐磨耐腐耐温离心式衬胶泵

123

概述:

KFJ/BFJ/SFJ型系列耐磨耐腐耐温单级悬臂离心式衬胶泵,八十年代引进日本技术,进行多年国产化设计,其过流部分采用进口橡胶,经过炼胶.硫化等工艺模压一次成型,具有良好的耐磨、耐腐蚀、耐温性能。整体结构简单、体积小、重量轻、运转平稳、噪声低、维修方便、节能等优点。尤其我公司针对输送液体的情况。采用副叶轮动力密封以及采用新的机械密封装置、新型副叶轮K型油封装置和新的副叶轮K型水冷却密封四种密封形式,足以满足各种工况岗位要求。


用途:

KFJ、BFJ、SFJ型耐磨、耐腐蚀、耐温衬胶泵可广泛用于化工、味精、锰业、染料、颜料、氨基酸、赖氨酸、淀粉、农药、化肥、脱硫、电解、电镀、冶金、有色冶炼、污水处理等工业系统。输送腐蚀性清液或含有颗粒的无机酸、碱、盐类石油化工介质和冶金矿山浆液,介质浓度在 70%以内,温度在100℃以内的各类腐蚀性混合液体。如有特殊需要可配特殊耐高温耐磨衬胶泵,适用于150℃以下既有腐蚀又有颗粒工况岗位。


型号说明:

123


结构图:

123


性能参数:

123


性能曲线图:

123



性能曲线图:

123


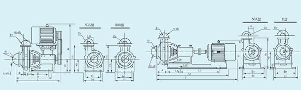
外形尺寸:

123



外型及安装尺寸表:

123

开云(中国)Kaiyun·官方网站-kaiyun.com 销售热线:0510-86106969 电话:0510-86106969 86108318
传真:0510-86108328 86101528
地址:江阴市经济开发区(西区·石庄)华特西路28号
Copyright ? 2020 开云(中国)Kaiyun·官方网站-kaiyun.com版权所有 苏ICP备19034554号